18. GX - Generator Auto-Start/Stopp
18.1. Einführung
Durch die Integration eines Wechselstrom- oder Gleichstromgenerators in ein GX-Gerät werden die folgenden Funktionen verfügbar:
Funktionsübersicht:
Automatische Generatorsteuerung: Sie können den Generator mithilfe der Funktion für den automatischen Start/Stopp des Generators basierend auf verschiedenen Systembedingungen automatisch starten und stoppen.
Manuelle Steuerung und Planung: Sie können den Generator manuell starten und stoppen und einen zeitgesteuerten Betrieb planen.
Wartungsverfolgung: Sie können die Betriebszeiten und Wartungsintervalle überwachen.
Verlängerte Lebensdauer des Aggregats: Integrierte Funktionen zum Aufwärmen und Abkühlen sorgen für eine ausreichende Schmierung vor dem Aufbringen der Last und verhindern plötzliche Ausfälle.
Für angeschlossene Aggregate:
Leistungsüberwachung: Lassen Sie sich die Produktionsdaten für Wechsel- oder Gleichstrom anzeigen.
Verfolgung von Motorparametern: Sie können Druck, Temperatur, Drehzahl, Batteriespannung der Starterbatterie und Kraftstoffstand überwachen.
Fehlerwarnungen: Lassen Sie sich bei Systemfehlern benachrichtigen.
DVCC-Unterstützung: Ausgewählte Gleichstromgeneratoren unterstützen die verteilte Steuerung von Spannung und Strom (siehe Kapitel DVCC - Verteilte Spannungs- und Stromregelung).
Die Überwachung und Steuerung ist nicht nur über das GX-Gerät selbst, sondern auch über das VRM-Portal und die Marine-MFD-HTML5-App möglich. Weitere Einzelheiten finden Sie in den Kapiteln VRM Portal und Marine-MFD-Integration durch App.
Weitere allgemeine Informationen zur Planung eines Victron-Systems mit einem Generator finden Sie auch in den FAQ zum MultiPlus-Generator.
18.2. Anleitung zur Integration
Es gibt zwei Integrationsoptionen:
Relaisgesteuerte Integration: Ein kabelgebundenes, potentialfreies Start-/Stopp-Signal wird über Relais 1 des GX-Geräts unterstützt (siehe Abschnitt 17.2.7 für ein relaisgesteuertes Start-/Stopp-Signal).
Integration von angeschlossenen Aggregaten: Wenn der Generator oder sein Regler in der folgenden Tabelle aufgeführt ist, wird die digitale Kommunikation für die Auslesung und Steuerung über VE.Can, Ethernet oder RS485 (unter Verwendung eines RS485-zu-USB-Konverters wie der Victron RS485-zu-USB-Schnittstelle) unterstützt.
Unterstützte Regler für Wechselstromgeneratoren zur Integration von angeschlossenen Aggregaten
Hersteller | Modell | Anschlusstyp | Anmerkungen |
|---|---|---|---|
ComAp | InteliLite 4 AMF 25 InteliLite 4 AMF 20 InteliLite 4 AMF 9 InteliLite 4 AMF 8 InteliLite 4 MRS 16 | Ethernet | |
CRE Technology | Compact AMF Gensys Compact Prime Gensys Compact Mains | Ethernet | |
Deep Sea Electronics | DSE4620 | Ethernet oder RS485 | Für Ethernet: Siehe 1) Für RS485: Siehe 2) und 3) |
DSE6120 | |||
DSE4510 MKII | |||
DSE4520 MKII | |||
DSE6110 MKII | |||
DSE6120 MKII | |||
DSE7310 MKII | Für Ethernet: Siehe 1) Für RS485: Siehe 3) | ||
DSE 7410 MKII | Für RS485: Siehe 4) | ||
DSE 7420 MKII | |||
DSE8610 MKII | |||
DSE8620 MKII | |||
DSE8660 MKII | |||
DEIF | AGC 150 Generator | Ethernet oder RS485 | Für RS485: Siehe 4) |
AGC 150 Hybrid | |||
AGC 150 PMS Lite | |||
Fischer Panda | xControl | VE.Can | |
iGenerator | |||
fpControl | |||
1) Dieses Modell verfügt nicht über einen Ethernet-Anschluss. Daher ist das Deep Sea Electronics DSE855 USB-zu-Ethernet-Kommunikationsgerät oder ein anderes Ethernet-fähiges DSE-Gateway erforderlich. 2) Dieses Modell verfügt nicht über einen RS485-Anschluss. Daher ist das Deep Sea Electronics DSE857 USB-zu-RS485-Kommunikationsgerät oder ein anderes RS485-fähiges DSE-Gateway erforderlich. 3) Der Hjelmslund Electronics USB485-STIXL isolierte USB-zu-RS485-Konverter ist erforderlich (https://hjelmslund.eu/) 4) Dieses Modell verfügt über einen integrierten, isolierten RS485-Anschluss. Hierfür ist jedoch die RS485-zu-USB-Schnittstelle von Victron erforderlich. | |||
Unterstützte Regler für Gleichstromgeneratoren zur Integration von angeschlossenen Aggregaten
Hersteller | Modell | Anschlusstyp | Anmerkungen |
|---|---|---|---|
Fischer Panda | fpControl | VE.Can | |
Hatz | fiPMG | VE.Can | Unterstützt DVCC-Spannungsregelung |
Wichtig
Das GX-Gerät unterstützt nur einen angeschlossenen Regler für das Aggregat. Bei der Integration über Ethernet stellen Sie sicher, dass nur ein Regler für das Aggregat für das GX-Gerät zugänglich ist.
18.2.1. Relais-gesteuertes Start-/Stopp-Signal
Die meisten Generatoren unterstützen ein externes Start-/Stopp-Signal, in der Regel über einen potenzialfreien Kontakt. Durch Schließen des Kontakts wird der Generator gestartet, durch Öffnen wird er gestoppt.
Einige Generatoren benötigen gepulste Signale anstelle einer fortlaufenden Verbindung. In solchen Fällen können zusätzliche Zeitrelais erforderlich sein (siehe unten). Schlagen Sie immer im Handbuch des Generators nach oder ziehen Sie den Lieferanten zu Rate, um Einzelheiten zur Verkabelung des Fernsteuerungssignals zu erfahren.
Auf dem GX-Gerät muss Relais 1 zur Steuerung des Generators verwendet werden. Nachdem Sie den Generatoreingang an Relais 1 verkabelt haben, navigieren Sie zu Einstellungen → Integrationen → Relais → Funktion (Relais-Nr.) → Aggregat Start/Stopp. Sobald Relais 1 auf „Aggregat Start/Stopp“ konfiguriert ist, können die zugehörigen Einstellungen über Einstellungen → Geräte → Aggregat aufgerufen werden. |
18.3. Menü Generator Start/Stopp
Die Übersichtsseite der Generator-Start-/Stopp-Funktion kann über Einstellungen → Geräte → Aggregat aufgerufen werden. Auf dieser Seite können Sie den Status des Generators überwachen, den Fehlerstatus anzeigen, auf Laufzeit und Wartung zugreifen und erforderliche Einstellungen vornehmen.
Die einzelnen Menüpunkte haben die folgenden Funktionen:
| |
(*) Gilt nur für angeschlossene Aggregate. (*2) Gilt nur für angeschlossene Gleichstromaggregate. | |
18.4. Einstellungsmenü
Scrollen Sie im Menü zum Start/Stopp des Generators nach unten und tippen Sie auf Einstellungen, um das Einstellungsmenü aufzurufen.
|
18.4.1. Alarm bei deaktivierter Autostart-Funktion
Wenn diese Option aktiviert ist, wird ein Alarm ausgelöst, wenn die automatische Startfunktion länger als 10 Minuten deaktiviert bleibt. Dies ist besonders nützlich nach einer Wartung des Generators, falls der Techniker vergisst, den automatischen Startmodus wieder zu aktivieren. Zweck dieser Funktion ist es, sicherzustellen, dass die automatische Startfunktion nicht versehentlich deaktiviert bleibt. Bei digital angeschlossenen Aggregaten wie DSE, ComAp und Fischer Panda wird auch überprüft, ob Fernstarts am Paneel des Aggregats aktiviert sind. Es können zwei Alarme ausgelöst werden:
|
18.4.2. Menü Laufzeit und Wartungsintervall
Jeder Generator muss nach einer bestimmten Zeit gewartet werden. Das empfohlene Wartungsintervall hängt in erster Linie von der Nutzung und der Zeit ab, in der der Generator in Betrieb ist. In diesem Menü können Sie ein Wartungsintervall festlegen und einen Zähler starten, der eine Warnung auslöst, wenn die Wartung fällig ist. Die Menüpunkte im Detail:
|
18.4.3. Menü Aufwärmen & Abkühlen
Über das Aufwärm- und Abkühlmenü können Sie die Zeit konfigurieren, die der Generator zum Aufwärmen oder Abkühlen vor oder nach dem Betrieb benötigt. Dies wird über ein Relais gesteuert, während das Relais des Wechselstromeingangs geöffnet und der Wechselrichter/Ladegerät nicht angeschlossen ist.
Dieses Menü gilt auch für digital angeschlossene Aggregate (z. B. über Modbus), bei denen das GX-Relais nicht verwendet wird.
Hinweis: Für diese Funktion ist die Firmware 502 oder höher für VE.Bus-Wechselrichter/Ladegeräte erforderlich. Sie wird auch von Multi RS-Wechselrichtern/Ladegeräten unterstützt, die mit Firmware v1.17 oder höher laufen.
Aufwärmzeit:
Abkühlzeit:
Stoppzeit des Generators:
|
18.5. Bedingungen für den automatischen Start/Stopp
Bei Kommunikationsverlust: Falls es jemals zu einem Kommunikationsausfall zwischen dem Cerbo GX und dem VE Bus-Wechselrichter/Ladegerät kommt; und es wurden Parameter eingestellt, die von diesen Informationen abhängen – wählen Sie zwischen den folgenden Vorgängen:
Generator stoppen, wenn Wechselstromeingang verfügbar ist: Nützlich für Notstromsysteme, bei denen ein Quattro über Wechselstromeingang 1 oder Wechselstromeingang 2 an das Stromnetz angeschlossen ist und ein Aggregat am anderen Wechselstromeingang angeschlossen ist. Wenn diese Funktion aktiviert ist, wird das Aggregat erst gestoppt, wenn die Netzstromversorgung nach einem Ausfall wiederhergestellt ist. |
Die folgenden Parameter können benutzerdefiniert sein, um einen automatischen Generator-Start/Stopp auszulösen:
(* Der hier gemessene Wert ist der gesamte AC-Verbrauch des Systems).
Die Bedingungsparameter werden in der oben aufgeführten Reihenfolge priorisiert. Wenn mehrere Bedingungen gleichzeitig erfüllt sind, wird nur die Bedingung mit der höchsten Priorität als aktiv angezeigt. Alle aktivierten Bedingungen werden ausgewertet, auch wenn der Generator bereits in Betrieb ist. Sobald die aktive Bedingung erfüllt ist, kann ein nicht erfüllter Parameter in einer Bedingung mit niedrigerer Priorität den Generator weiter in Betrieb halten.
18.5.1. Generator stoppen, wenn Wechselstromeingang vorhanden ist
Diese Option ist ideal für Notstromsysteme, bei denen ein Quattro über einen Wechselstromeingang verfügt, der an das Stromnetz angeschlossen ist, und über einen anderen, der an einen Generator angeschlossen ist.
Wenn diese Funktion aktiviert ist und der Wechselstromeingang mit dem Netz verbunden ist, wird der Generator automatisch gestoppt, sobald die Netzstromversorgung nach einem Netzausfall wiederhergestellt ist. Der Vorgang umfasst die folgenden Schritte:
Der Generator wird zuerst getrennt.
Es wird eine Abkühlphase angewendet, die auf der konfigurierten Einstellung basiert.
Zusätzlich werden 15 Sekunden für das vollständige Herunterfahren des Generators gewährt.
|
18.5.2. Start/Stopp basierend auf dem SoC der Batterie
Diese Funktion ermöglicht die Steuerung des Generators auf der Grundlage des Ladezustands (SoC) der Batterie.
|
18.5.3. Start/Stopp basierend auf der Batteriespannung
Diese Funktion ermöglicht die Steuerung des Generators auf der Grundlage der Batteriespannung.
|
18.5.4. Start/Stopp basierend auf Wechselstromlast
AC-Lastauslöser funktionieren ähnlich wie andere Auslöser, aber die Funktion wird durch eine Messeinstellung verfeinert. Die Messungseinstellung ist ab Firmware v2.0 verfügbar und hat drei mögliche Werte:
|
18.5.5. Start/Stopp basierend auf Hochtemperatur des Wechselrichters
Diese Funktion ermöglicht die Aktivierung des Generators auf der Grundlage von Warnmeldungen zur Temperatur des Wechselrichters.
|
18.5.6. Start/Stopp basierend auf Überlastung des Wechselrichters
Diese Funktion ermöglicht die Aktivierung des Generators als Reaktion auf eine Warnung des Wechselrichters vor Überlastung.
|
18.5.7. Start/Stopp basierend auf dem Tankfüllstand
Diese Funktion ermöglicht die Deaktivierung des Generators basierend auf dem Tankfüllstand, wodurch Luftblasen verhindert werden, wenn der Tank leer ist.
|
18.5.8. Periodischer Lauf
Diese Funktion ermöglicht automatische, regelmäßige Generatorstarts.
|
18.5.9. Manuelle Startfunktion
Mit der manuellen Startfunktion können Sie den Generator aus der Ferne starten. Wenn der Generator bereits in Betrieb ist, verhindert das Betätigen der Starttaste, dass er automatisch stoppt, wenn die Bedingung, die ihn ausgelöst hat, erfüllt ist. Mit anderen Worten: Die manuelle Startfunktion setzt die Parameter für den automatischen Stopp außer Kraft.
Möglichkeiten, den Generator manuell zu starten:
AchtungWenn der Generator manuell (aus der Ferne) ohne Stoppuhr (Funktion zum zeitgesteuerten Betrieb) gestartet wird, ist er unbegrenzt in Betrieb, bis er manuell ausgeschaltet wird.
|
18.5.10. Ruhige Stunden
Mit der Funktion für Ruhezeiten können Sie einen Zeitraum festlegen, in dem der Lärm des Generators als störend empfunden werden könnte. Während dieses Zeitraums wird der Generator nur bei absoluter Notwendigkeit unter Verwendung angepasster Bedingungen für den automatischen Start gestartet.
So aktivieren Sie Ruhezeiten
Beachten Sie, dass die Ruhezeiten auf unbestimmte Zeit aktiv bleiben, wenn die Start- und Stoppzeiten auf denselben Wert eingestellt sind. |
Verwendung von Ruhigen Stunden als Werkzeug zur Definition von zwei Gruppen von Benutzerpräferenzen
Die Funktion für Ruhezeiten kann auch verwendet werden, um die Reaktion Ihres Systems auf verschiedene Bedingungen anzupassen. Zum Beispiel:
Früher Morgen / niedriger SoC: Der SoC der Batterie ist morgens oft am niedrigsten. Wenn dies mit bewölktem Wetter oder Solarpanels mit westlicher Ausrichtung (die nachmittags besser funktionieren) kombiniert wird, kann der Generator aufgrund des niedrigen SoC morgens automatisch starten. Später am Tag, wenn die Solarproduktion zunimmt, kann die Arbeit des Generators jedoch überflüssig werden. Indem Sie für diesen Zeitraum Ruhezeiten mit niedrigeren Schwellenwerten für den automatischen Start festlegen, können Sie vorzeitige Generatorstarts verhindern und die verfügbare Solarenergie besser nutzen.
Ferienhaus: In einem Ferienhaus ist der Strombedarf bei Belegung deutlich höher als bei Leerstand. Die Funktion für Ruhezeiten kann helfen, wenn niedrigere Schwellenwerte für den automatischen Start angewendet werden, wenn das Haus genutzt wird, und höhere, wenn es leer steht.
So wird es implementiert:
Legen Sie während der Nutzung des Hauses Ruhezeiten als dauerhafte Bedingung fest (siehe oben).
Schalten Sie die Ruhezeiten AUS, wenn das Haus leer ist, um das Standardverhalten des Generators zu ermöglichen.
18.6. ComAp-Regler
18.6.1. Einführung
Wie funktioniert es?
Das GX-Gerät kommuniziert (lesen/senden) mit dem InteliLite 4-Paneel über Modbus TCP über Ethernet, wobei das ComAp CM3-Ethernet-Modul (erforderlich) als Kommunikationsschnittstelle verwendet wird. Eine Neuzuordnung der Modbus-Register mit der InteliConfig-Software ist erforderlich.
Eine Übersicht über alle verwendeten Modbus-Register und ihre erforderlichen Zuordnungen finden Sie im Anhang: Modbus-Halteregister für den ComAp InteliLite 4-Regler
Nach der Zuordnung erkennt das GX-Gerät automatisch das Vorhandensein eines ComAp InteliLite 4-Reglers anhand der Identifikationszeichenfolge in Modbus-Register 1307. Es erkennt alle Module, deren Namen mit „InteliLite4-“ beginnen. Diese Identifikationszeichenfolge erscheint auch in der Titelleiste des InteliConfig-Fensters.

18.6.2. Voraussetzungen
GX-Gerät mit VenusOS v3.42 oder höher
Unterstützter ComAp-Regler
CM3-Ethernet-Modul (ComAp-Bestellnummer: CM3ETHERXBX)
Es funktioniert auch mit dem Standard CM-Ethernet Modul (ComAp Bestellnummer: CM2ETHERXBX), aber das wurde noch nicht getestet.
Ethernet-Netzwerkgeräte
18.6.3. Installation & Konfiguration
Die Installation und Konfiguration erfolgt in nur wenigen Schritten. Sie müssen dazu nur den Modbus-Server in Ihrem CM3-Ethernet-Modul aktivieren. Dies kann über das Control Panel oder über die Software für den Regler, InteliConfig, erfolgen, die von der ComAp-Website heruntergeladen werden kann.
Eine weitere Konfiguration des ComAp CM3-Ethernet-Moduls ist nicht erforderlich.
Die Modbus-Register müssen mit der InteliConfig-Software entsprechend der Registerliste angepasst werden, wie in Modbus-Halteregister für den ComAp InteliLite 4-Regler beschrieben.
Konfiguration des ComAp-Reglers
Die folgende Vorgehensweise beschreibt die Schritte zur Verwendung der InteliConfig-Konfigurationssoftware. Stellen Sie sicher, dass Sie über die neueste Version verfügen und an den Regler angeschlossen sind:
Stellen Sie sicher, dass die Einheiten / das Stromformat korrekt sind:
Wählen Sie die Registerkarte zur Konfiguration des Reglers aus
Wählen Sie Andere
Wählen Sie Einheiten/Stromformat
Stellen Sie sicher, dass Einheiten auf „Metrisch – 20 °C, 10,0 bar, 11,4 l/h“ und Stromformat auf „Standard 1 kW/kVA/kVAr 1 V“ eingestellt ist.

Wählen Sie Sensoren
Wählen Sie „VDO 10 Bar“ und stellen Sie sicher, dass die Auflösung auf „0,1“ und die Dimmung auf „Bar“ eingestellt ist

Wählen Sie nun „VDOLevel %“ und stellen Sie sicher, dass die Auflösung auf „1“ und die Dimmung auf „%“ eingestellt ist

Neuzuordnung von Modbus-Registern:
Wählen Sie im selben Fenster MODBUS aus
Laden Sie die Modbus-Zuordnungsdatei für Victron Energy herunter: ComAp InteliLite GX-Zuordnung
Klicken Sie unten unter Import/Export auf das Importsymbol rechts
Wählen Sie die heruntergeladene Zuordnungsdatei aus und klicken Sie auf OK
Klicken Sie unten rechts auf die Schaltfläche zum Schreiben, um die Konfiguration im Regler zu speichern
Die UMOD-Datei für die ComAp-Modbus-Zuordnung enthält die für das GX-Gerät erforderlichen Modbus-Registerzuordnungen. Eine lesbare Version der Karte finden Sie auch im Anhang: Modbus-Halteregister für den ComAp InteliLite 4-Regler.


Aktivieren des Modbus-Servers des Reglers
Wählen Sie die Registerkarte Sollwert aus
Wählen Sie im folgenden Menü das CM-Ethernet-Modul aus
Aktivieren Sie den Modbus-Server

GX-Gerätekonfiguration
Sobald das GX-Gerät und der Aggregatregler an dasselbe Netzwerk angeschlossen sind, erscheint der Regler automatisch in der Geräteliste. Die Abbildung zeigt ein Beispiel für einen DSE-Generatorregler. Wenn es nicht angezeigt wird, überprüfen Sie die Modbus-Einstellungen auf dem GX-Gerät, indem Sie zu Einstellungen → Modbus TCP/UDP-Geräte navigieren. Stellen Sie sicher, dass die automatische Suche aktiviert ist (dies ist die Standardeinstellung) oder suchen Sie das Gerät manuell. Es sollte erkannt und im Untermenü für erkannte Geräte aufgeführt werden. Für einen zuverlässigen Betrieb lassen Sie das automatische Scannen aktiviert, da das Netzwerk alle zehn Minuten gescannt wird. Wenn sich die IP-Adresse ändert, wird das Gerät erneut erkannt. Es ist jedoch ratsam, dem Regler eine statische IP-Adresse zuzuweisen, um unerwartete Kommunikationsverluste zu vermeiden. |
18.7. CRE Technology-Regler
18.7.1. Einführung
Wie funktioniert es?
Das GX-Gerät kommuniziert mit dem CRE-Regler, indem es Daten gemäß den technischen Daten des Modbus TCP des Reglers über den Ethernet-Anschluss des CRE-Reglers liest und sendet.
Durch die Verwendung der über Modbus abgerufenen Identifikationswerte erkennt das GX-Gerät automatisch das Vorhandensein des Reglers.
18.7.2. Voraussetzungen
GX-Gerät mit VenusOS v3.50 oder höher
Unterstützter CRE-Regler mit Firmware-Version v2.0 oder höher
Ethernet-Netzwerkgeräte
18.7.3. Installation & Konfiguration
Voraussetzungen
Mithilfe des CRE-Reglers können Sie die Einheiten für Drücke und Temperaturen ändern. Das GX-Gerät erwartet jedoch, dass der Öldruck in bar und die Temperaturen in °C angegeben werden. Bitte stellen Sie sicher, dass die Einheiten korrekt eingestellt sind.
GX-Gerätekonfiguration
Sobald das GX-Gerät und der Aggregatregler an dasselbe Netzwerk angeschlossen sind, erscheint der Regler automatisch in der Geräteliste. Die Abbildung zeigt ein Beispiel für einen DSE-Generatorregler. Wenn es nicht angezeigt wird, überprüfen Sie die Modbus-Einstellungen auf dem GX-Gerät, indem Sie zu Einstellungen → Modbus TCP/UDP-Geräte navigieren. Stellen Sie sicher, dass die automatische Suche aktiviert ist (dies ist die Standardeinstellung) oder suchen Sie das Gerät manuell. Es sollte erkannt und im Untermenü für erkannte Geräte aufgeführt werden. Für einen zuverlässigen Betrieb lassen Sie das automatische Scannen aktiviert, da das Netzwerk alle zehn Minuten gescannt wird. Wenn sich die IP-Adresse ändert, wird das Gerät erneut erkannt. Es ist jedoch ratsam, dem Regler eine statische IP-Adresse zuzuweisen, um unerwartete Kommunikationsverluste zu vermeiden. |
18.8. Unterstützung für Tiefseegeneratorregler der DSE-Serie
18.8.1. Einführung
Durch die Einbindung des Deep Sea Electronics (DSE) Generatorreglers in ein GX-Gerät können Wechselstromdaten, Öldruck, Kühlmitteltemperatur, Tankfüllstand, Anzahl der Motorenstarts und weitere Statuswerte ausgelesen werden. Darüber hinaus unterstützt es die digitalen Start/Stopp-Signale des GX-Geräts.
Wie funktioniert es?
Das GX-Gerät kommuniziert mit dem Regler von Deep Sea Electronics (DSE), indem es Daten über die Modbus-Spezifikation „GenComm“ von DSE liest und sendet. Diese Kommunikation erfolgt entweder über den Ethernet-Anschluss des DSE-Reglers selbst oder, bei Reglern ohne Ethernet-Schnittstelle, über das USB-zu-Ethernet-Kommunikationsgerät DSE855 von Deep Sea Electronics oder ein anderes kompatibles Ethernet-fähiges DSE-Gateway, das Modbus TCP unterstützt.
Anhand der über Modbus ermittelten Identifikationswerte erkennt das GX-Gerät automatisch das Vorhandensein des Reglers.
18.8.2. Voraussetzungen
GX-Gerät mit VenusOS v3.12 oder höher
Unterstützter DSE-Regler
Für Modelle, die nur einen USB-Anschluss bieten (siehe die Tabelle in Anleitung zur Integration), ist ein Deep Sea Electronics DSE855 (oder ein ähnliches Gerät) erforderlich.
Ethernet-Netzwerkgeräte
Sonderfall: DSE 4520 MKII (Venus OS v3.50 oder höher)
Im Gegensatz zu allen anderen unterstützten DSE-Reglern akzeptiert der DSE 4520 MKII keine Steuerbefehle über digitale Kommunikation. Daher muss ein Steuersignal über Kabel über die Funktion für das Hilfsrelais des angeschlossenen Aggregats verwendet werden. Weitere Informationen finden Sie im nächsten Abschnitt.
18.8.3. Installation & Konfiguration
GX-Gerätekonfiguration
Sobald das GX-Gerät und der Aggregatregler an dasselbe Netzwerk angeschlossen sind, erscheint der Regler automatisch in der Geräteliste. Wenn es nicht angezeigt wird, überprüfen Sie die Modbus-Einstellungen auf dem GX-Gerät, indem Sie zu Einstellungen → Modbus TCP/UDP-Geräte navigieren. Stellen Sie sicher, dass die automatische Suche aktiviert ist (dies ist die Standardeinstellung) oder suchen Sie das Gerät manuell. Es sollte erkannt und im Untermenü für erkannte Geräte aufgeführt werden. Für einen zuverlässigen Betrieb lassen Sie das automatische Scannen aktiviert, da das Netzwerk alle zehn Minuten gescannt wird. Wenn sich die IP-Adresse ändert, wird das Gerät erneut erkannt. Es ist jedoch ratsam, dem Regler eine statische IP-Adresse zuzuweisen, um unerwartete Kommunikationsverluste zu verhindern. |
Hilfsrelais des angeschlossenen Aggregats
Relais 1 am GX-Gerät kann als Hilfsrelais des angeschlossenen Aggregats konfiguriert werden.
Diese Einstellung ermöglicht es dem Relais 1, parallel zu den digitalen Steuerbefehlen eines angeschlossenen DSE 4520 MKII zu arbeiten. Relais 1 bleibt offen, solange das Aggregat gestoppt ist, und schließt, sobald der Startbefehl erteilt wird.
Diese Funktion ist nützlich für:
Anweisungen zur Verkabelung finden Sie unter Relais-gesteuertes Start-/Stopp-Signal |
18.9. DEIF-Regler
18.9.1. Einführung
Wie funktioniert es?
Das GX-Gerät liest Daten vom DEIF-Regler und sendet sie an diesen. Dies erfolgt über die Modbus-Spezifikation des Reglers, entweder über den Ethernet-Anschluss oder den RS485-Anschluss 1 des DEIF-Reglers. Anhand der über Modbus ermittelten Identifikationswerte erkennt das GX-Gerät automatisch das Vorhandensein des Reglers.
18.9.2. Voraussetzungen
GX-Gerät mit Venus OS v3.50 oder höher
Unterstützter DEIF AGC 150-Regler mit Firmware-Version 1.19.0 (ab Mai 2024) oder höher
Für die Integration über Ethernet: Ethernet-Netzwerkgeräte
Für die Integration über RS485: Victron Energy RS485-zu-USB-Schnittstelle (Teilenummer ASS030572050 oder ASS030572018)
18.9.3. Installation & Konfiguration
Einstellen des richtigen Skalierungsparameters Aktuell wird nur der Standardwert für den Skalierungsparameter des Reglers (Kanal 9030, Wert 100 bis 25000 V) unterstützt. Vergewissern Sie sich vor dem Anschluss, dass diese Einstellung korrekt ist. Die Einstellung ist über das Display des Reglers unter Parameter → Grundeinstellungen → Messungseinstellungen → Skalierung → Skalierung verfügbar. Um Änderungen vorzunehmen, geben Sie das Master-Kennwort ein (Standard: 2002) und stellen Sie es auf den Standardbereich von 100 bis 25000 V ein. | ![]() |
Für Ethernet-Anschluss Verwenden Sie den Ethernet-Anschluss des DEIF-Reglers, um ihn an dasselbe Ethernet-Netzwerk wie das GX-Gerät anzuschließen. |
Für RS485-Anschluss Der Regler der DEIF AGC 150-Serie verfügt über zwei RS485-Anschlüsse, von denen Anschluss 1 galvanisch getrennt ist. Die galvanische Trennung verhindert sogenannte Erdschleifen, die sonst durch unerwünschte Ströme zu Schäden an den Geräten führen können. Daher muss Anschluss 1 verwendet werden, wie in der Tabelle erläutert. Nach dem Anschluss des Reglers an das GX-Gerät navigieren Sie auf dem Display des Reglers zu Parameter → Kommunikation → RS485 → RS485 1 → Parameter, geben das Master-Kennwort ein (Standard ist „2002“) und stellen die Parameter wie folgt ein:
|
| |||||||||||||||||||||
![]() |
GX-Gerätekonfiguration Sobald das GX-Gerät und der Aggregatregler angeschlossen sind, werden sie automatisch in der Geräteliste angezeigt. Wenn Sie die Ethernet-Methode verwenden und das Gerät nicht angezeigt wird, überprüfen Sie bitte die Modbus-Einstellungen auf dem GX-Gerät unter Einstellungen → Integrationen → Modbus-Geräte und stellen Sie sicher, dass die automatische Suche aktiviert ist (Standardeinstellung) oder führen Sie eine Suche durch. Das Gerät sollte automatisch erkannt werden und im Untermenü für erkannte Geräte angezeigt werden. Damit dies zuverlässig funktioniert, muss die automatische Suche aktiviert bleiben. Das Netzwerk wird alle zehn Minuten gescannt. Wenn sich die IP-Adresse ändert, wird das Gerät erneut gefunden. Es ist dennoch ratsam, dem Regler eine statische IP-Adresse zuzuweisen, um unerwartete Kommunikationsverluste zu vermeiden. |
18.10. Unterstützung für Fischer-Panda-Generatoren
18.10.1. Einführung
Das GX-Gerät liest Daten vom Fischer-Panda-Generator und sendet sie über einen VE.Can-Anschluss an diesen. Dabei wird das Fischer-Panda-Modul SAE J1939 (erforderlich) verwendet. Es werden sowohl Wechselstrom- als auch Gleichstromgeneratoren unterstützt.
18.10.2. Voraussetzungen
GX-Gerät mit Firmware v2.07 oder höher
Fischer-Panda-Generator, xControl, iGenerator oder fpControl GC
Fischer-Panda-SAE-J1939-CAN-Modul (Teilenummer 0006107)
Fischer-Panda-FP-Bus-auf-VE.Can-Adapter (Teilenummer 0023441)
Optional: FP-CAN-zu-NMEA 2000 (FP Art.-Nr. 0031409)
Voraussetzungen für die Fischer-Panda-Firmware:
iControl (für den iGenerator): v2.17 oder höher
iControl-Paneel: keine Mindestvoraussetzung
xControl (für die Generatoren mit konstanter Drehzahl): 4V38 oder höher
xControl-Paneel: 4V29
fpControl (für Wechsel- und Gleichstromgeneratoren): jede Version
fpControl-Paneel: 4V29 oder höher
Fischer Panda SAE J1939 CAN-Modul: 2V05 oder höher
Fischer-Panda-Dreiphasenmodul: 4V0b oder höher
Fischer Panda NMEA 2000-Schnittstelle: 2V11 oder höher
18.10.3. Installation und Konfiguration
Anschluss eines Fischer-Panda-xControl-Generators
Das folgende Schema zeigt, wie Sie einen Fischer-Panda-xControl-Generator anschließen.
![]() |
Anschluss eines Fischer-Panda-iControl-Generators
Das folgende Schema zeigt, wie Sie einen Fischer-Panda-iControl-Generator anschließen.
![]() |
Anschluss eines Fischer-Panda-fpControl-Generators
Das folgende Schema zeigt, wie ein Fischer-Panda-fpControl-Generator angeschlossen wird.
![]() |
18.10.4. Konfiguration und Überwachung des GX-Geräts
Wichtig
Wichtig: Der Betrieb des Generators ist nur möglich und erlaubt, wenn das xControl-, fpControl- oder iControl-Paneel eingeschaltet ist.
Stellen Sie sicher, dass unter Einstellungen → Dienste das ausgewählte CAN-Bus-Profil „VE.Can (250kbit/s)“ lautet. Dies ist die Standardeinstellung und unterstützt NMEA 2000. |
Wenn alle Verkabelungen abgeschlossen sind und die Einrichtung korrekt durchgeführt wurde, wird der Fischer-Panda-Generator in der Geräteliste angezeigt: |
Wenn Sie im Menü das Fischer-Panda-Gerät eingeben, erscheint eine Seite wie diese: Beachten Sie die Funktionen zum Ein-/Ausschalten sowie die Anzeige von Statusinformationen und der wichtigsten Wechselstromparameter: Spannung, Strom und Leistung. |
Die Motortemperatur, die Drehzahl und weitere Informationen sind über den Untermenüpunkt Motor verfügbar. |
18.10.5. Wartung
Bevor Sie Wartungsarbeiten am Generator durchführen, schalten Sie ihn immer über das Bedienpaneel von Fischer Panda aus. Dadurch wird die automatische Startfunktion deaktiviert und verhindert, dass der Generator aus der Ferne gestartet wird, z. B. durch einen Cerbo GX.
Aktivieren Sie nach Abschluss der Wartungsarbeiten die automatische Startfunktion über das Bedienpaneel des Fischer-Panda-Generators im Menü Generator → Autostart → Ein-/Ausschalten.
18.11. Hatz fiPMG-Gleichstromgenerator
18.11.1. Einführung
Wie funktioniert es?
Beim Hatz fiPMG-Gleichstromgenerator handelt es sich um einen Permanentmagnetgenerator (PMG) mit integriertem Schwungrad, der sich mit variabler Geschwindigkeit an unterschiedliche Lasten anpasst. Angetrieben wird er von einem Hatz E1-Dieselmotor mit elektronisch gesteuerter Einspritzung.
Die Stromversorgungseinheit bietet einstellbare Ausgangsspannungen für 28-Volt- oder 56-Volt-Systeme und die Kommunikation zwischen Stromversorgung – ECU – Victron GX-Gerät gemäß SAE J1939.
Der Doppel CAN-Wechselrichter verfügt über zwei separate CAN-Anschlüsse:
CAN-Anschluss 1: Verarbeitet die Kommunikation mit dem Wechselrichter (PSU) und der ECU des Motors.
CAN-Anschluss 2: Verwaltet die Kommunikation zwischen dem PSU und dem GX-Gerät.
Weitere Informationen finden Sie unter www.hatz.com. Dort können Sie auf alle Schaltpläne und zusätzliche gerätespezifische Informationen zugreifen.
18.11.2. Voraussetzungen
GX-Gerät mit Firmware Venus OS v3.50 oder höher
Hatz fiPMG-Generator mit Doppel-CAN-Netzteil (Wechselrichter) für Gleichstromausgang mit 28 V oder 56 V
Kabel VE-CAN-zu-HATZ-CAN (bei HATZ erhältlich)
18.11.3. Installation & Konfiguration
Anschluss eines Hatz fiPMG-Generators
Das folgende Diagramm zeigt, wie der Hatz fiPMG-Gleichstromgenerator mit dem GX-Gerät verbunden wird.

GX-Gerätekonfiguration
Stellen Sie sicher, dass unter Einstellungen → Dienste das ausgewählte CAN-Bus-Profil „VE.Can (250kbit/s)“ lautet. Dies ist die Standardeinstellung und unterstützt NMEA 2000. Sobald das GX-Gerät und der Aggregatregler angeschlossen sind, werden sie automatisch in der Geräteliste angezeigt. |
18.11.4. Wartung
Wartungsanweisungen finden Sie im Handbuch für den fiPMG.
18.11.5. Fehlerbehebung
Liste der Fehlercodes der PSU: Siehe www.hatz.com (CAN-Protokoll E-Serie)
Liste der Fehlercodes der ECU: Siehe www.hatz.com (Diagnoseprobleme der E-Serie)
18.12. Generatorstatus und verbesserte Betriebszeiten über einen digitalen Eingang
Für eine genaue Anzeige des Motorstatus und eine verbesserte Nachverfolgung der Betriebsstunden auf dem GX-Gerät kann ein zusätzlicher Draht für ein potenzialfreies Signal verwendet werden.
Es gibt zwei gängige Optionen für die Verkabelung:
Verwendung eines potenzialfreien Ausgangs am Aggregatregler (falls unterstützt) zur Meldung des Motorzustands.
Verwendung eines Wechselstrom-Hilfsrelais an der Wechselstromleitung des Generators, das einen potenzialfreien Kontakt schließt, sobald das Aggregat mit der Stromversorgung beginnt.
Um diese Funktion zu aktivieren, gehen Sie zu Einstellungen → Integrationen → Digitaler E/A und konfigurieren Sie den jeweiligen Eingang als „Generator“. Nach der Konfiguration wird der Generatorstatus in der Geräteliste angezeigt und die Gesamtlaufzeit wird auf der Grundlage des Status dieses digitalen Eingangs bestimmt. |
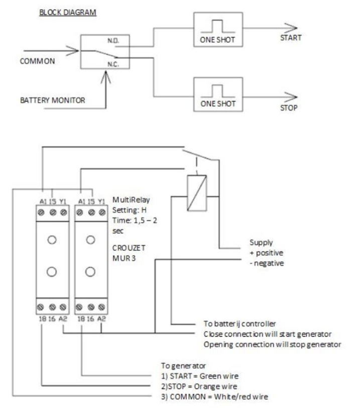
18.13. Verkabelung eines Generators mit einer Dreileiterschnittstelle
Um einen Generator mit einer Dreileiterschnittstelle zu starten, muss der Öffner-/Schließerkontakt in separate Start- und Stoppimpulse umgewandelt werden. Bei der folgenden Lösung werden Standard-Relais verwendet, die dies durch Folgendes erreichen:
Erzeugung eines Startimpulses, wenn der Öffnungs-/Schließkontakt geschlossen wird.
Erzeugung eines Stoppimpulses, wenn der Öffnungs-/Schließkontakt geöffnet wird.
Wichtiger Hinweis: Diese Methode sollte nur bei Generatoren angewendet werden, die über ein eigenes Bedienpaneel zur Überwachung und zum automatischen Abschalten bei Problemen wie niedrigem Öldruck verfügen. Verkabeln Sie dies nicht direkt mit dem Anlasser oder dem Kraftstoffmagnetventil.
![]() |






